74181 with V_Flag


The previous example is nice when using an adder, like the 74283.
Problem is, that with ALU chips like the 74181, we don't have access to B'.

So we have to build our own B'.
For A+B, we could use the previous example.
For B-A, we have to invert A7.
For A-B, we have to invert B7.

I'm aware, that using colours in an article could look like a sign of incompetence.
But it's only to mark/emphasize the three different modes of operation.

Well, we would need six 4_Input_ANDs, one 6_Input_OR, and three inverters.
Could be done with 3*7420, 1*7430, and 0.5*7404.

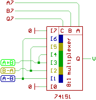
Fortunately, the 74151 features a nice AND/OR_combination,
that could be used to solve our problem.
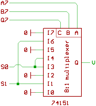
We have three enable_lines, called A+B, B-A, A-B in that example,
only one of them could be active at a time.

You sure mentioned the numbers in the AND gates.
Please compare them to the 74151_Inputs in this schematic:

Now for the 74181.
There is no B-A.

Signals at the 74181 control lines (A,B high_active):

A+B: S3..0 = 1001
A-B: S3..0 = 0110

So we take S0 for indicating A+B, and S1 for indicating A-B.

That's all for now.


[HOME] [UP]/ [BACK] [1] [2] [3] [4]

(c) Dieter Mueller 2005