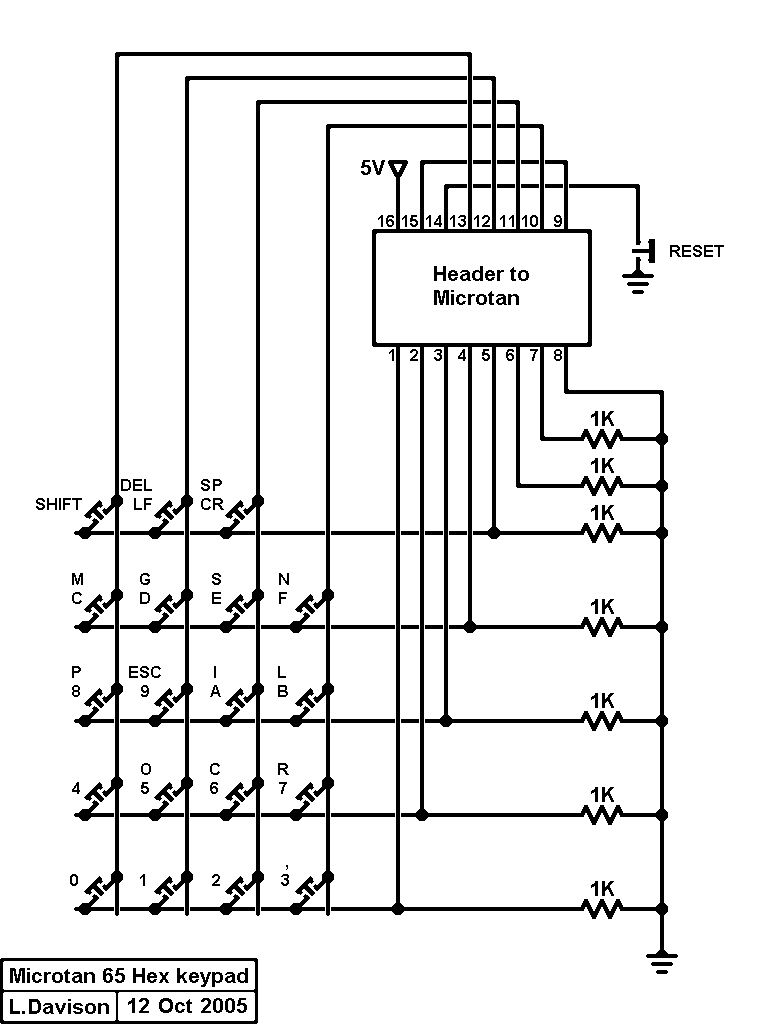
Hex keypad by Lee Davison



Last page update: 12th October, 2005. e-mail me