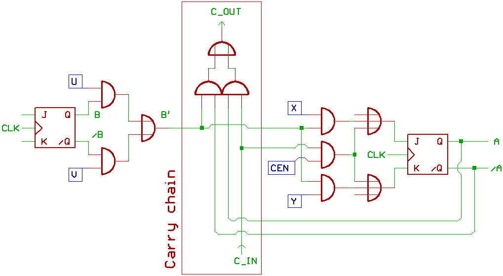
Arithmetic mode


And now, the miracle happens:

And yes, all we really need is this AND/OR combination gate
for forming up the carry chain, plus one additional AND gate
fed by the carry input and the CEN control signal.

Downside is, that performing arithmetic operations takes
two clock cycles.


Now a close look to the carry chain:

Don't get confused now.

A'  means "contents of the A flipflop after the  first clock pulse",
A'' means "contents of the A flipflop after the second clock pulse".

Now to describe, how it works.

Example:
A=A+B //ADC, C_IN is high_active carry

Step 1: (first clock cycle)
U=1, V=0, X=1, Y=1, CEN=0: A'=A^B //XOR

After the first clock cycle, the carry ripples through
the carry chain according to B', A'.

Step 2: (second clock cycle)
U=1, V=0, X=0, Y=0, CEN=1: A''=A'^carry.


A=A-B: C_IN is low_active borrow
Step 1: U=0, V=1, X=1, Y=1, CEN=0: A'=A^/B
Step 2: U=0, V=1, X=0, Y=0, CEN=1: A''=A'^carry

A=A+1:
Only one step required. Set ALU carry input to 1.
Step 1: U=0, V=0, X=0, Y=0, CEN=1

A=A-1: A=A+(-1) set ALU carry input to 0
Step 1: U=1, V=1, X=1, Y=1, CEN=0: A'=A^(-1)
Step 2: U=1, V=1, X=0, Y=0, CEN=1: A''=A'^carry

A=-A: set ALU carry input to 1
Step 1: U=1, V=1, X=1, Y=1, CEN=0: A'=A^(-1)
Step 2: U=0, V=0, X=0, Y=0, CEN=1: A''=A'^carry


[HOME] [UP]/ [BACK] [1] [2] [3] [4] [5] [6] [7] [8] [NEXT]

(c) Dieter Mueller 2012