GAL ALU: carry chain


Now for the complicated part:
the carry chain.

Don't get confused, C0 is the carry input.

It's only a modification of the carry chain
we already know from toying with JK flipflops.

The AND OR combination gate on the left
generates B0'. When taking a look at page 4 of
this article, the control signal U now is named S0,
and the control signal V now is named S1.

Problem is, that this schematic takes two levels
of AND OR combination gates.

To make efficient use of the ressources in our GAL,
we have to convert said schematic into a one level
AND OR combination:


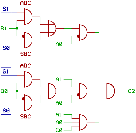
A two Bit carry chain is faster,
but looks a lot more complicated:

Converting this into a single AND OR combination:


[HOME] [UP]/ [BACK] [1] [2] [3] [4] [5] [6] [7] [8] [NEXT]

(c) Dieter Mueller 2012