Inside the Adder


A simple 1 Bit binary full adder with ripple carry.

Not much to say.
If A=1 or B=1, Carry C_IN is propagated (P=1) to C_OUT.
If A=1 and B=1, a Carry is generated (G=1), setting C_OUT to 1.

When A=1 or B=1, but not both of them, and C_IN=0, Q=1.
Q gets inverted, if C_IN=1.

Now to optimize for speed and size.

For more speed, we could use two 74151, both of them
connected to C_IN, A, B at the select lines.
One generates Q, the other C_OUT.
If we draw the multiplexers at gate level,
and optimize for size, the result
may look a bit like the obsolete 7483.

Connecting four 1 Bit adders together:

Unfortunately, carry has to pass through a lot of gates.
For a faster speed, we have to use parallel carry, as in the 74283.
We just take P0..3 and G0..3 from the AND/OR gates
(that are connected to A0..3, B0..3)
Then we calculate C0..3 and give it to the circuitry
that is responsible for Q0..3.
To make things simpler, we call C_IN C0, an C_OUT C4.


C1 = G0 | C0 & P0                                             
C2 = G1 | C0 & P0 & P1           | G0 & P1                            
C3 = G2 | C0 & P0 & P1 & P2      | G0 & P1 & P2      | G1 & P2              
C4 = G3 | C0 & P0 & P1 & P2 & P3 | G0 & P1 & P2 & P3 | G1 & P2 & P3 | G2 & P3   

You should recognize some kind of pattern in there.
And if we have low_active P0..3 and G0..3 signals,
and add a P and G output for cascading this structure
to multible lengths of 4 Bit, it is called a 74182.


What, if 74283 and 74182 are no longer available
for the mere hobbyist ?
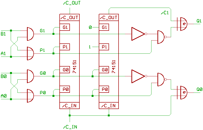
Time for another 74151 8:1 Multiplexer trick.
We are not limited to three inputs when evaluating
logic functions on the 74151, because it has a low_active
output enable.
Also, who said that the lookup table has to be
only made up with constants ?

A carry chain for 2 Bits, consisting of two AND/OR gate,
to be crammed into one 74151.

Note, that carry_in is low_active, because we have
to abuse the low_active output enable as OR_term.

And now an example how to use it.

Note, that 74151 has two outputs:
one inverted, the other non_inverted.

Could be three times faster than the NAND version,
but not quite as fast as the 74F182/74S182.

Done with dissecting the Adder.

One question comes to mind:
we have an ALU, built around an Adder.
Can we modify the adder structure to form a faster ALU ?
Yes, certainly, we can.


[HOME] [UP]/ [BACK] [1] [2] [3] [4] [5] [6] [7] [8] [NEXT]

(c) Dieter Mueller 2004