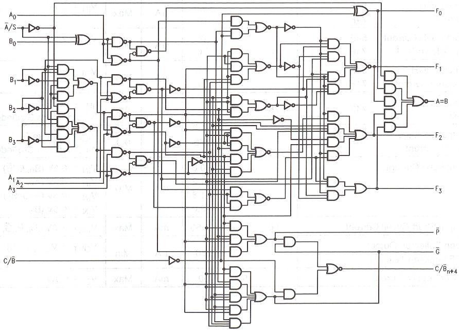
The 74582 adder


The 74583 was a 4 Bit BCD adder from TI.
Here a picture from the datasheet:


The 74582 was a 4 Bit BCD adder/subtractor,
and the 9s complement circuitry at the B inputs
already was mentioned at page 2 of this article.

Obviously, the people who did draw the 74582 schematic
were in a hurry, so don't expect every connection in said
schematic to be correct.

Since the 74582 seems to use the same adder circuitry
as the 74583, I decided to show schematics for both ICs...
and to let the readers with too much spare time at their hands
sort out the differences.


[HOME] [UP]/ [BACK] [1] [2] [3] [4] [5] [6] [7] [8] [NEXT]

(c) Dieter Mueller 2012