André's 8-bit pages
Thankfully hosted by 6502.org.
(by Google)

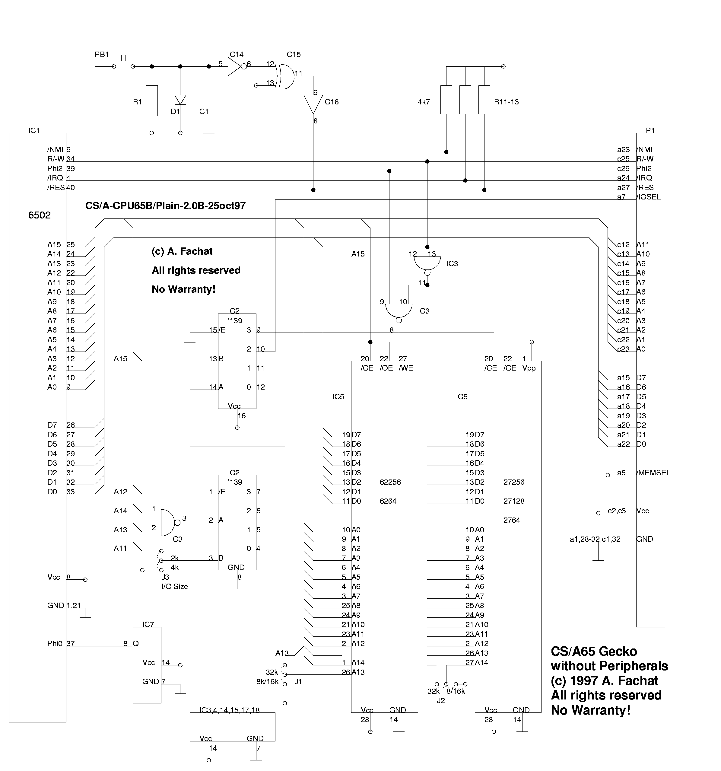
CS/A65 CPU65b

This board implements a 6502 processor board for the CS/A65 bus system. Compared to the main cpu, however, it only utilizes 64k memory without an MMU, and can thus only use the I/O address space on the CS/A65 bus.
  •  
    2006-11-01 Board is deprecated. Use PETCPU board instead.
 

Table of content

Version: 2.0B

Status: draft

Notes

 
This board is derived from the Gecko board, in that the Gecko I/O circuitry have been removed.
 
This schematics has not been tested.
 
This board is deprecated. Please use the PETCPU board instead.

Last modified: 2006-10-13.

Return to Homepage

follow

Follow my 8-bit tweets on Mastodon (In new window) or Bluesky

discuss

Discuss my site on this 6502.org forum thread

(Forum registration required to post)

hot!

Dive into the retro feeling and build yourself a Micro-PET or a Multi-board Commodore 4032 replica

Need more speed? Speed up your 6502 computer with this 10 MHz 6502 CPU accelerator board

Interested in electronics design? Look at the design lesson I got from Bil Herd, the hardware designer of the C128

Want 64bit? - pimp the 6502 with the 65k processor design!