André's 8-bit pages
Thankfully hosted by 6502.org.
(by Google)

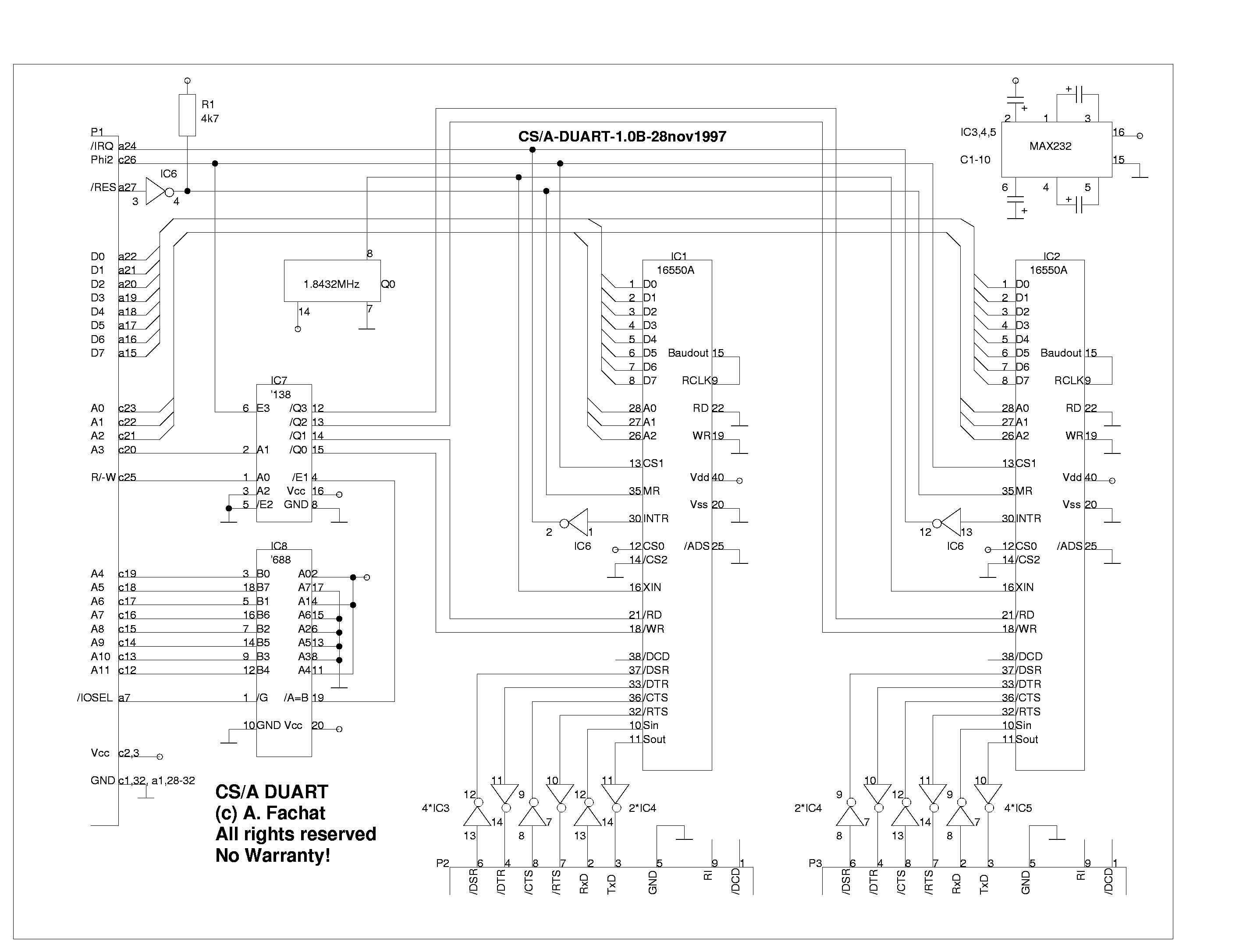
CS/A65 DUART

This Dual RS232 board uses two 16550A for the two interfaces. I know that there are ICs like the 16552(?) with two interfaces in one chip, but when I needed it, I had the parts at home already...
  •  
    2006-11-01 Added driver code.

OS/A65 UART16550A driver

The driver consists of two files. First the uart16550.i65 file contains chip register definitions. The file ser_uart.a65 is the actual driver. This actually is a driver for a single UART only, but it can be linked into the system twice to handle both UARTs. The OS/A65 operating system (1.x and 2.x) uses a single entry point for the device, with the accumulator containing the command code. The entry point is prg1 in this case. It branches to these routines for the UART:
  • devini - initialize the UART
  • devirq - interrupt routine. This routine is called on every interrupt, one device after the other, until the irq is handled. The 50Hz system interrupt is last, so this driver uses this feature to check whether a new byte can be send at tx2.
  • others checks the other commands, like open, close, or handshake handling.
Unfortunately the driver code is pretty messy, but works.
 
ser_uart.a65(Driver code)
 
uart16550.i65(UART register definitions)

Version: 1.0B

Status: ok

Notes

 
This is the initial version.

Files

 
csaduartdesc.txt
 
csaduartparts.txt
 
csaduart.ps.gz
 
csaduart.png
 
csaduart.fig
 
csaduart.jpg(One of the UARTs is missing)

Version: 1.0A

Status: ok

Notes

 
This is the initial version (scanned schematics).

Last modified: 2006-11-01.

Return to Homepage

follow

Follow my 8-bit tweets on Mastodon (In new window) or Bluesky

discuss

Discuss my site on this 6502.org forum thread

(Forum registration required to post)

hot!

Dive into the retro feeling and build yourself a Micro-PET or a Multi-board Commodore 4032 replica

Need more speed? Speed up your 6502 computer with this 10 MHz 6502 CPU accelerator board

Interested in electronics design? Look at the design lesson I got from Bil Herd, the hardware designer of the C128

Want 64bit? - pimp the 6502 with the 65k processor design!