André's 8-bit pages
Thankfully hosted by 6502.org.
(by Google)

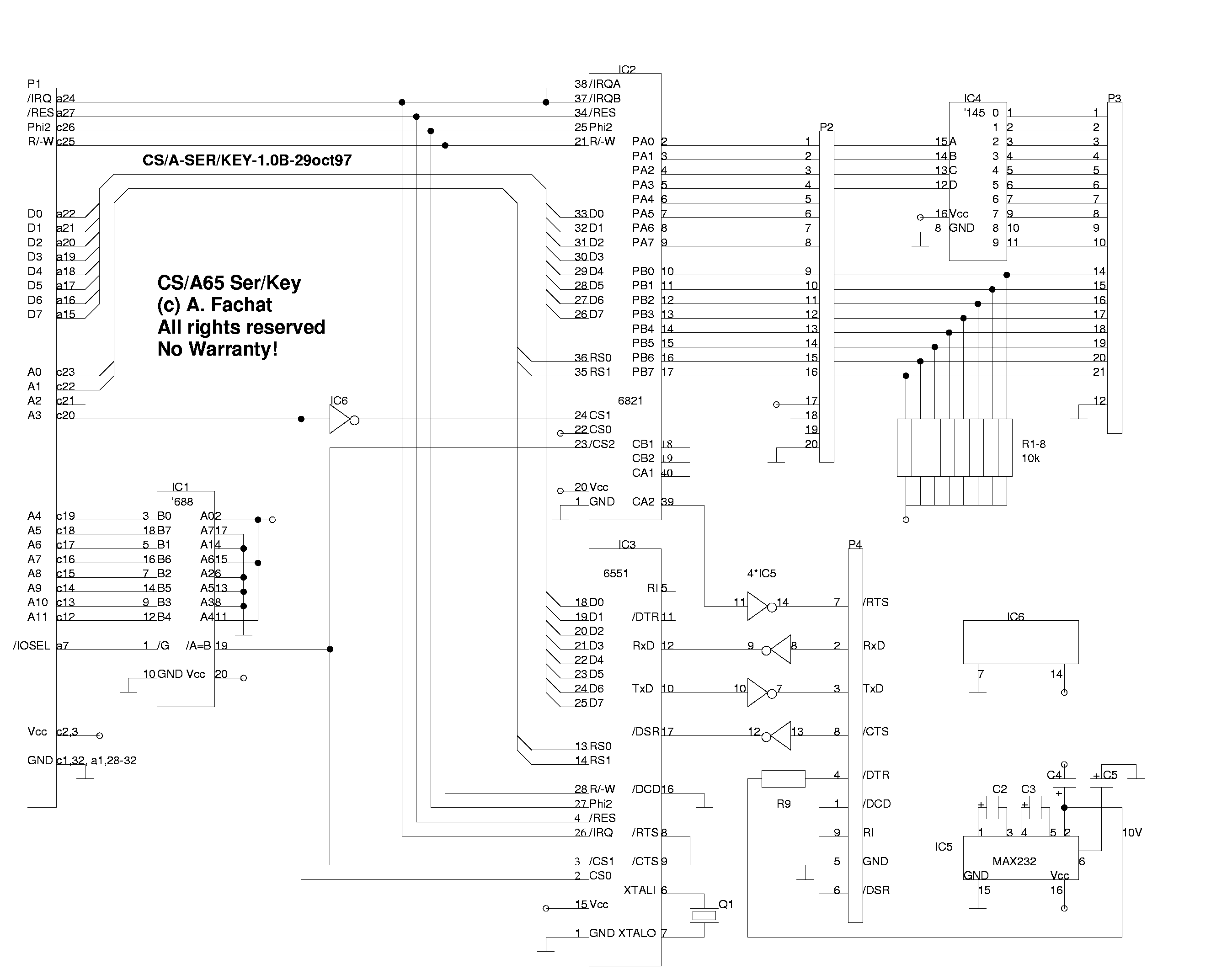
CS/A65 KEY+RS232

This board implements a simple matrix keyboard interface that is Commodore PET compatible but can also use a C64 keyboard. It also implements a RS232 interface using a 6551 ACIA.
  •  
    2006-11-01 Board is deprecated. Use PETIO board instead.
  •  
    2006-11-01 Added driver code.

OS/A65 Keyboard driver

This driver handles the keyboard included in this board. It provides these methods
  • inikbd - initialize the keyboard
  • getkey - scan the keyboard
 
con_csa.a65(excerpt from console driver)
 
kdefs.i65(terminal codes definitions)
 
pia6521.i65(PIA register definitions)

OS/A65 ACIA RS232 driver

This driver handles the ACIA RS232 hardware included in this board. As this board does not use the standard ACIA handshake lines but lines from the VIA, this is not a general ACIA driver. In addition it includes the ACIA driver for the original BIOS V1.x board.
 
oa1ds.a65(ACIA driver)

Version: 1.3A

Status: ok

Notes

 
This board is deprecated. Please use the PETIO board instead.
 
This board additionally implements an I2C controller with a parallel I2C I/O chip and test-LEDs.

Version: 1.0B

Status: ok

Notes

 
This board is deprecated. Please use the PETIO board instead.

Files

 
csakeydesc.txt
 
csakeyparts.txt
 
csakey.fig
 
csakey.png
 
csakey.ps.gz
 
csakey.jpg(ACIA missing, but (so far undocumented) I2C testbed added)

Version: (PIO) 1.0A

Status: deprecated

Notes

 
This board is deprecated. Please use the PETIO board instead.
 
In the beginning this board went under the name of "PIO"...

Last modified: 2006-11-01.

Return to Homepage

follow

Follow my 8-bit tweets on Mastodon (In new window) or Bluesky

discuss

Discuss my site on this 6502.org forum thread

(Forum registration required to post)

hot!

Dive into the retro feeling and build yourself a Micro-PET or a Multi-board Commodore 4032 replica

Need more speed? Speed up your 6502 computer with this 10 MHz 6502 CPU accelerator board

Interested in electronics design? Look at the design lesson I got from Bil Herd, the hardware designer of the C128

Want 64bit? - pimp the 6502 with the 65k processor design!