CS/A65 keyboard emulator
This board allows to emulate a real matrix keyboard for another
computer. A matrix keyboard uses a set of input lines and
each keypress connects an input line with a specific output
line, which is detected by the host cpu. This is emulated
by the board using a shared memory. Access to the shared
memory is time-shared.
Table of content
Version: 1.0C
Status: ok
Notes
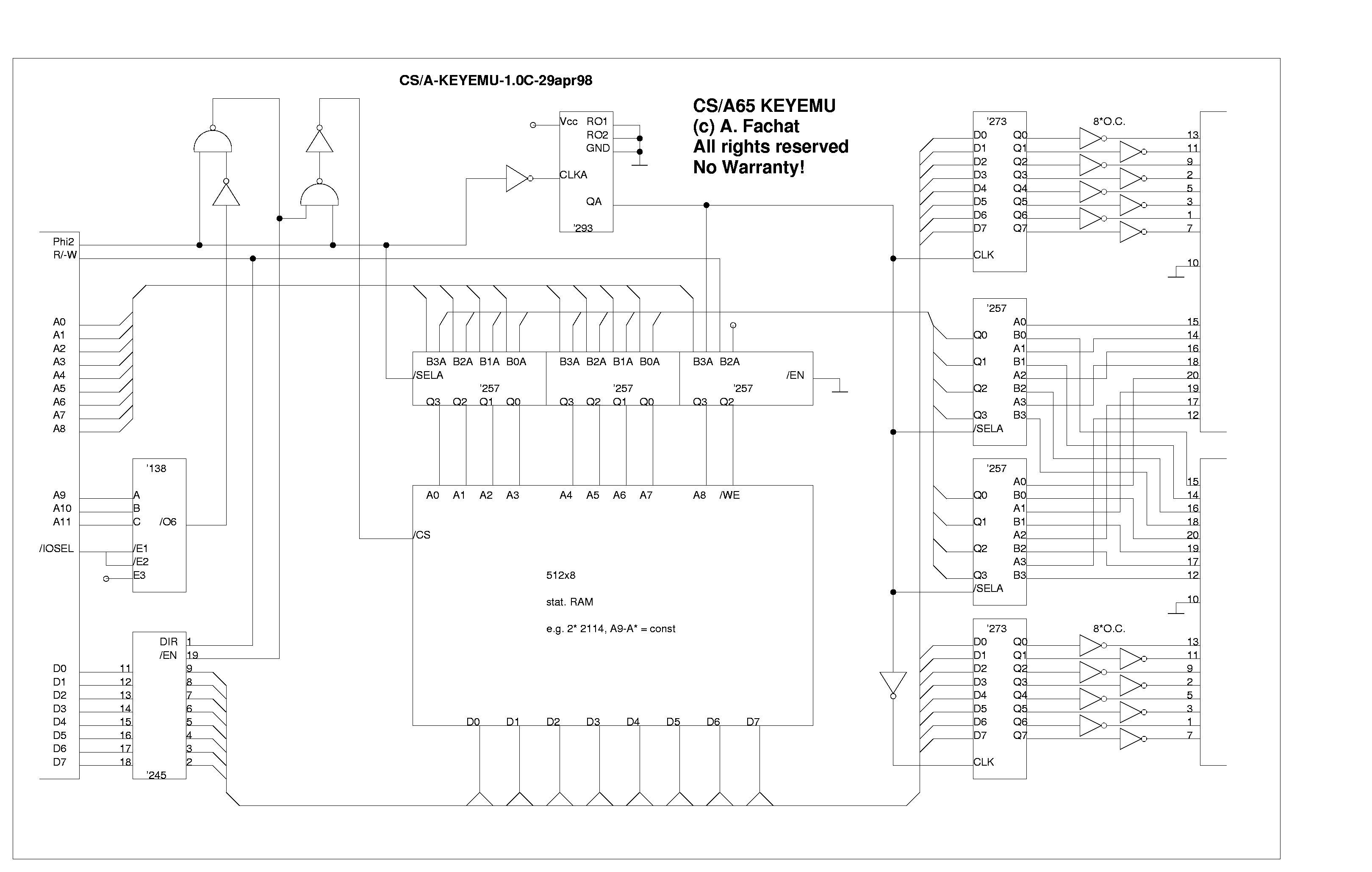
| The board implements two keyboard ports with a 8x8 matrix each, using 512 byte of I/O memory. |

The block diagram shows the dual access to the
shared memory.